|
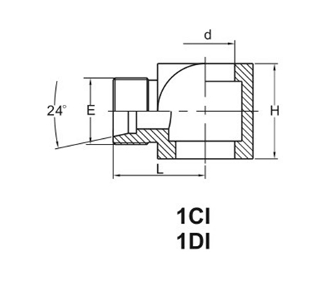
PART NO. |
THREAD |
TUBE O.D. |
BOLT |
DIMENSIONS |
MPa |
|||||
|
E |
|
d |
H |
L |
L1 |
S1 |
||||
|
1CI-12-10 |
M12X1.5 |
|
6 |
700M-10 |
10 |
10 |
16 |
31 |
14 |
16 Light series L |
|
1CI-14-12 |
M14X1.5 |
|
8 |
700M-12 |
12 |
12 |
18.5 |
33 |
17 |
|
|
1CI-16-14 |
M16X1.5 |
|
10 |
700M-14 |
14 |
14 |
20.5 |
35 |
19 |
|
|
1CI-18-16 |
M18X1.5 |
|
12 |
700M-16 |
16 |
16 |
22 |
37 |
22 |
10 Light series L |
|
1CI-22-18 |
M22X1.5 |
|
15 |
700M-18 |
18 |
20 |
23 |
38 |
27 |
|
|
1CI-26-22 |
M26X1.5 |
|
18 |
700M-22 |
22 |
25 |
27.5 |
43.5 |
32 |
|
|
1CI-30-26 |
M30X2 |
|
22 |
700M-26 |
26 |
30 |
34 |
50.5 |
36 |
|
|
1DI-14-12 |
M14X1.5 |
|
6 |
700M-12 |
12 |
12 |
20.5 |
35 |
17 |
16 Heavy series S |
|
1DI-16-14 |
M16X1.5 |
|
8 |
700M-14 |
14 |
14 |
22.5 |
36 |
19 |
|
|
1DI-18-16 |
M18X1.5 |
|
10 |
700M-16 |
16 |
16 |
23 |
39.5 |
22 |
10 Heavy series S |
|
1DI-20-18 |
M20X1.5 |
|
12 |
700M-18 |
18 |
20 |
25 |
41 |
24 |
|
|
1DI-22-18 |
M22X1.5 |
|
14 |
700M-18 |
20 |
20 |
28 |
46 |
27 |
|
|
1DI-24-22 |
M24X1.5 |
|
16 |
700M-22 |
22 |
25 |
28.5 |
46.5 |
30 |
|
|
1DI-30-26 |
M30X2 |
|
20 |
700M-26 |
26 |
30 |
37 |
58.5 |
36 |
|
|
Note:ln case if you are interested to order the adapter in complete set with cutting ring and nut,it is necessary to insert suffix “RN” after our part NO.,for example 1DI-30-26RN. |
||||||||||
.png)
English
简体中文




